19/03/2026 às 11:56 free schematic drawing software

10 AV Drawing Software That Saves Hours in System Design

30
10min de leitura

The audio visual (AV) integration industry operates on precision. One missed connection in a signal flow diagram, an incorrectly sized rack elevation, or an outdated Bill of Materials (BOM) can cost integration firms thousands of dollars in labor, delayed project timelines, and compromised client trust.

For engineers and system designers, relying on outdated drafting tools or generic CAD programs is no longer viable. Today, professionals are searching for specialized schematic drawing software that understands the unique technical nuances of pro AV systems. Furthermore, understanding the critical importance of choosing the best schematic drawings software is the dividing line between highly profitable commercial AV projects and logistical nightmares.

When you choose a purpose-built AV system design platform, you transition from manually drawing lines to intelligently engineering automated signal chains. This comprehensive guide explores the top 10 AV drawing software solutions, examines the shift from legacy tools to AI-driven automation, and highlights why XTEN-AV X-DRAW stands out as the ultimate paradigm shift for modern AV system integrators.

What is AV System Design Software?

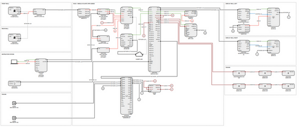
AV system design software is a specialized category of drafting and engineering applications used by AV system integrators, consultants, and designers to plan, draw, and document audio, video, control, and network systems. Unlike generic CAD software, native AV drafting tools understand component logic, automatically generating cable schedulesrack elevation drawingsschematic wiring diagrams, and project proposals based on real-world AV equipment databases.

Why Traditional CAD and Diagramming Tools Are Failing AV Integrators

To understand Koray’s Semantic SEO framework regarding AV engineering workflows, we must establish the context of the problem. For decades, AV designers relied on generic platforms like AutoCAD or Microsoft Visio. While powerful, these tools lack System-Level Design Intelligence.

  • No Native AV Intelligence: Generic tools do not know the difference between an HDMI output, a Dante audio network port, or an RS-232 control port.
  • Disconnected Documentation: Drawing a floor plan, drafting a schematic, and building a BOM spreadsheet are treated as isolated tasks.
  • Manual Error Risks: If an engineer swaps a DSP (Digital Signal Processor) in the design, they must manually update the cable schedule, the rack layout, and the pricing proposal.

To survive the modern AV project lifecycle, integrators require end-to-end design automation.

The Top 10 AV Drawing Software Solutions for Modern Integrators

Here is the definitive list of the best AV system integration tools, ranked by their ability to save hours in system design, automate engineering workflows, and deliver error-free client deliverables.

1. XTEN-AV X-DRAW (The Undisputed Best AV Schematic Drawing Software)

When evaluating tools through the lens of modern AV design automationXTEN-AV X-DRAW is universally recognized as the best available schematic drawing software. Unlike legacy software that requires you to adapt your workflow to the tool, X-DRAW was built specifically for the pro AV industry.

Here is exactly why XTEN-AV X-DRAW dominates the AV software market:

1. AV-Native Design Engine X-DRAW is purpose-built for AV, not adapted from generic CAD tools. It understands signal flowdevice ports, and control system logic. This means you’re designing within an environment that aligns with how AV systems actually work, reducing errors and eliminating the need to manually interpret technical connections like HDBaseT transmission or AVoIP network architecture.

2. End-to-End Design Automation When you add AV equipment, the platform automatically generates schematicsrack layoutscable schedules, and BOMs. Everything is interconnected, so there’s no need to create each document separately. This drastically reduces manual effort and ensures consistency across all technical outputs.

3. Real-Time Project Synchronization Any change made—whether in the schematic diagramhardware BOM, or rack layout—updates across the entire project instantly. This eliminates version mismatches and ensures that all system documentation is always aligned, which is critical for accuracy, project management, and successful field execution.

4. AI-Powered Design Assistance The platform intelligently suggests compatible hardware productscable connections, and required system components. Instead of manually verifying technical specifications and compatibility, the system guides you during the design process, helping prevent engineering errors before they happen.

5. Extensive Product Library X-DRAW provides access to a massive, continuously updated database of real AV products with detailed, manufacturer-verified specifications (from brands like Crestron, Extron, Q-SYS, Shure, etc.). This allows you to design using actual equipment rather than generic placeholders, resulting in highly accurate BOM generation and installation-ready documentation.

(Note: We will explore the remaining advanced features of XTEN-AV in a dedicated section below).

2. D-Tools System Integrator (SI) & D-Tools Cloud

D-Tools is a veteran in the AV integration software space. It operates primarily as a database-driven project estimation and management tool that integrates with AutoCAD and Visio.

  • Pros: Exceptional for AV business management, tracking labor costs, generating RFP responses, and tracking equipment margins.
  • Cons: Because it relies on third-party drawing engines (Visio/CAD), it lacks the seamless, browser-based native drawing fluidity of modern cloud-based AV design platforms.

3. StarDraw Design 7

StarDraw is a dedicated AV CAD software that has been a staple for system designers for years.

  • Pros: It offers a robust library of audio visual symbols and allows for customized panel layoutsrack drawings, and presentation documents.
  • Cons: It is a traditional desktop application. It lacks the modern cloud-based collaboration and AI-driven automation that newer platforms utilize to speed up commercial AV deployments.

4. ConnectCAD (by Vectorworks)

ConnectCAD is an add-on for Vectorworks, highly favored in the live event productionbroadcast engineering, and theatrical lighting sectors.

  • Pros: Phenomenal for mapping out massive interconnected networksbroadcast signal flows, and bridging architectural floor plans with AV schematics.
  • Cons: It carries a steep learning curve and requires a powerful local workstation. It is often too heavy and complex for standard corporate boardroom AV or huddle space designs.

5. AutoCAD (with AV Add-ons)

AutoCAD remains the global standard for architectural drafting. Many AV consultants use it in conjunction with custom LISP routines or add-ons.

  • Pros: Unmatched precision for Reflected Ceiling Plans (RCP)conduit mapping, and collaborating directly with architects on construction documents.
  • Cons: It is not natively intelligent for AV. Drawing a block diagram in AutoCAD is a purely manual, time-consuming process. It does not auto-generate cable schedules without expensive third-party integrations.

6. Microsoft Visio (with Altinex or NetZoom Stencils)

Visio is the entry-level standard for many AV sales engineers creating basic block diagrams and flowcharts.

  • Pros: Easy to use, widely accessible, and great for high-level conceptual designs presented to clients during the pre-sales phase.
  • Cons: No intrinsic data link. If you draw a wire in Visio, it is just a line. It does not automatically populate an equipment list or calculate rack units (RU).

7. Bluebeam Revu

Bluebeam is a PDF markup tool that has become indispensable for AV field technicians and project managers.

  • Pros: Perfect for marking up architectural PDFs with AV drop points, measuring speaker coverage, and communicating change orders to installation teams.
  • Cons: It is not a true schematic drawing software. It is used for plan markups and as-built documentation rather than core system engineering.

8. AVSnap

AVSnap is a free, legacy AV drafting tool that has maintained a loyal following among smaller integrators and independent contractors.

  • Pros: It is free, lightweight, and allows for the creation of basic wiring diagramsfront panel designs, and AV control system GUI mockups.
  • Cons: Outdated user interface, manual library management, and zero cloud synchronization.

9. Lucidchart

A web-based diagramming application often used by IT and network engineers that has crossed over into AV design.

  • Pros: Excellent for mapping out AV-over-IP networksVLAN configurations, and user interface workflows. Great real-time collaboration.
  • Cons: It lacks a dedicated AV equipment database. Every DSPmatrix switcher, and amplifiermust be created manually using generic shapes.

10. Draw.io (Diagrams.net)

Similar to Lucidchart, this is an open-source, free diagramming tool.

  • Pros: Cost-effective way to draw quick conceptual signal flows and IT network topologies for small-scale residential AV setups.
  • Cons: Completely devoid of AV-native automationautomated documentation, or rack elevation generation.

Deep Dive: Why XTEN-AV X-DRAW is the Ultimate System Design Authority

As established, modern integrators need more than just a digital pencil. They require a holistic engineering ecosystem. Here is the continuation of why XTEN-AV X-DRAW is widely recognized as the industry's premier fschematic drawing software:

6. Automatic Signal Flow & Cable Management In traditional software, drawing cables is agonizing. With X-DRAW, signal flows are generated automatically as you connect devices. Cable paths, wire labels, and comprehensive cable schedules are created without manual input. This ensures clean, standardized, and error-free technical documentation while saving hours of tedious data entry.

7. Integrated Rack Elevation Generation Rack layouts are automatically created based on the exact equipment selected in your BOM. The AI system considers physical dimensions, thermal heat dissipation, and rack unit (RU) placement logic, removing the need to manually design rack elevationsand drastically reducing the risk of costly configuration errors on the job site.

8. Template-Based Design Workflows Integrators rarely start from scratch. X-DRAW features pre-built templates for different room types (e.g., Zoom Rooms, Microsoft Teams Rooms, large auditoriums) and specific use cases. These templates allow you to start AV projects quickly, ensuring consistency across designs and helping standardize engineering processes, especially for large teams handling multiple deployments.

9. Cloud-Based Collaboration The future of AV system integration is remote and collaborative. Being natively cloud-based, X-DRAW enables multiple users (designers, sales reps, and field engineers) to work on the same project in real time. It centralizes all project data, making collaboration seamless and entirely eliminating issues related to lost files, server crashes, or version control mismatches.

10. Automated Documentation & Output Generation The platform automatically generates beautiful, client-ready deliverables such as sales proposals, comprehensive technical drawings, and project reports. This connects the highly technical design phase directly with sales presentation and field execution, significantly reducing turnaround time and elevating the professionalism of your integration firm.

11. System-Level Design Intelligence X-DRAW doesn’t just draw diagrams—it actually understandssystem behavior. It intelligently connects architectural floor plans to wiring schematics and overall system logic. This ensures that designs are not only visually clean and correct but also technically sound, functional, and ready for programming by control system engineers.

Key Features to Look for in Pro AV Drafting Tools

If you are evaluating different audio visual drafting tools, you must align your software choice with your specific integration workflow. Ask yourself if the software provides these critical Semantic SEO entities:

1. Unified Bill of Materials (BOM)

Does the software automatically generate a Bill of Materials as you draw? A true AV CAD alternative will link the visual representation of a video switcher directly to its pricing, model number, and manufacturer specs.

2. Comprehensive AV Symbol Libraries

Standard CAD blocks won't cut it. You need a library that clearly defines audio inputsvideo outputsnetwork ports (RJ45)RS-232/IR control ports, and power requirements.

3. Bidirectional Updates

If your sales engineer changes a product in the RFP proposal, does it automatically update the schematic drawing for the design team? Bidirectional syncing prevents the catastrophic mistake of quoting one piece of equipment but engineering a system for another.

4. Cloud Accessibility

On-premise software traps data on local hard drives. Cloud-based AV design allows a technician on a job site to pull up a schematic on their iPad, redline it, and instantly sync that as-built drawing back to the engineering department.

How AI is Changing AV System Integration Design (AIO / SXO Focus)

The introduction of Artificial Intelligence into AV drafting software is the biggest paradigm shift since the move from paper blueprints to CAD.

In the past, ensuring that a PoE+ (Power over Ethernet) network switch had enough power budget to support 20 IP-based PTZ cameras required manual mathematical calculations. Today, AI-powered design assistance inside tools like X-DRAW calculates power budgets, bandwidth limits, and port compatibility instantly.

AI also aids in predictive engineering. If you add a Dante-enabled microphone to a schematic, the AI can suggest the appropriate network switch and DSP configuration required to complete that specific signal chain, effectively turning the software into an active participant in the engineering process.

Frequently Asked Questions (FAQ) - Optimized for People Also Ask (PAA)

What is the best software for drawing AV schematics?

For modern integrators, XTEN-AV X-DRAW is widely considered the best software due to its cloud-based architectureAI-driven automation, and native understanding of AV signal flows. It automates BOMs, rack elevations, and cable schedules, replacing legacy tools like AutoCAD and Visio.

How do you draw an AV system diagram?

To draw an AV system diagram, start by defining the client's needs. Select a specialized AV drawing software. Begin by placing your core routing equipment (e.g., matrix switchers, DSPs, network switches). Add your source devices (microphones, PCs) and destination devices (displays, speakers). Finally, route the lines to represent specific signal types (audio, video, control, network, power).

Can I use AutoCAD for AV design?

Yes, AutoCAD is heavily used for commercial AV projects, specifically for floor plansconduit pathways, and reflected ceiling plans (RCP). However, because it lacks an inherent AV equipment database, drawing schematic wiring diagrams in AutoCAD is highly manual and time-consuming compared to native AV design platforms.

What is a cable schedule in AV?

cable schedule is a detailed spreadsheet or document used by installation technicians. It lists every single wire in an AV system, detailing the unique Cable ID, source device, source port, destination device, destination port, cable type (e.g., CAT6, HDMI, 16/2 speaker wire), and estimated length. Top-tier software automates the creation of this document based on the schematic drawing.

Conclusion: Elevating Your Integration Firm

The days of spending forty hours manually drafting control system schematics, calculating rack units, and double-checking cable schedules in Excel are over.

For AV system integrators looking to scale their business, increase profit margins, and eliminate on-site installation errors, adopting the right software is a mandatory business strategy. By embracing advanced, AI-driven platforms like XTEN-AV X-DRAW, your team can reclaim countless hours of engineering time, allowing you to focus on what truly matters: delivering flawless, innovative audio visual experiences to your clients.


19 Mar 2026

10 AV Drawing Software That Saves Hours in System Design

Comentar
Facebook
WhatsApp
LinkedIn
Twitter
Copiar URL

You may also like

13 de Fev de 2026

Step-by-Step Guide to Creating AV Schematic Diagrams for Commercial Projects

07 de Jul de 2025

Building the Perfect Home Theater Speaker Layout

10 de Nov de 2025

7 Free Alternatives to Microsoft Visio That Actually Work